EVT-080E
The EVT series Turbo Molecular Vacuum Pumps are the top range from KYKY
Eurovacuum is the designated sales and service point for Turbo molecular pumps manufactured by KYKY Technology Development Ltd. from Beijing in China. These pumps are build for excelent quality. To proof there quality these pumps are supplied with a 18 month warranty, the best standard warranty in the business. The pumps are the ideal solution for applications requiring rugged reliable and proven hardware, due to this the they are oftenly used in applications like:
- Electron microscopy
- Leak detection
- Mass spectrometry
- Surface analysis
- Plasma monitoring
- Residual gas analysis
They are having the following advantage to the users:
- 18 month warranty
- Very good price/quality level
- High pumping speed
- Low noise level
- Any mounting position
- Adjustable rotation speed
Part Number
| Ordering information | Art.No. |
|---|---|
| Turbo drag pump EVT-080E-LF with DN 63 ISO-K (excl. control unit & cable) | 800802 |
| Turbo drag pump EVT-080E-CF with DN 63 CF (excl. control unit & cable) | 800803 |
| TCP-100 controller and power supply (Data- & Power Cable needed) | 800041 |
| Controller Data Cable 0,75 m (standard) | 800021D |
| Controller Power Cable 0,75 m (standard) | 800021P |
| Controller Data Cable 5 m | 800022D |
| Controller Power Cable 5 m | 800022P |
| Controller Data Cable 7,5 m | 800023D |
| Controller Power Cable 7,5 m | 800023P |
Specifications
| Specification | Unit | EVT-080E-LF | EVT-080E-CF |
|---|---|---|---|
| Pump type | Compound/Drag | Compound/Drag | |
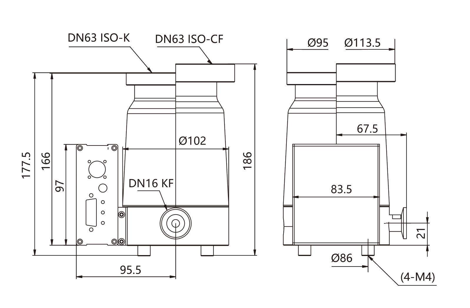
| Inlet Flange | DN 63 ISO-K | DN 63 CF | |
| Fore vacuum Flange | DN 16 KF | DN 16 KF | |
| Pumping speed (Ar) | l/s | 87 | 87 |
| Pumping speed (N2) | l/s | 82 | 82 |
| Pumping speed (He) | l/s | 58 | 58 |
| Pumping speed (H2) | l/s | 44 | 44 |
| Fore vacuum max. | mbar | 15 | 12 |
| Rotation Speed | rpm | 72.000 | 72.000 |
| H2 & He Compression Ratio | > 10E3 | > 10E3 | |
| N2 & Ar Compression Ratio | > 10E8 | > 10E8 | |
| Ultimate Vacuum | mbar/Pa | < 7x10E-8 / < 7x10E-6 | < 8x10E-9 / < 8x10E-7 |
| Max. fore-vacuum pressure | mbar/Pa | 2 / 200 | 2 / 200 |
| Gas throughput N2 | sccm | 55 | 55 |
| Gas throughput He | sccm | 40 | 40 |
| Backing Pump | m3/h | 1,8 – 7,2 | 1,8 – 7,2 |
| Run up Time | min | < 3 | < 3 |
| Control Unit | TD80/TCP100/TC100 | TD80/TCP100/TC100 | |
| Cooling medium | Air (water option) | Air (water option) | |
| Bearing type | Ceramic Grease | Ceramic Grease | |
| Operating Orientation | Any | Any | |
| Weight Pump | kg | 3,5 | 5,0 |
| Pump dimensions dxh (excl. controller) | mm | 102×177,5 | 113,5×186 |

